德赢VWIN700X多功能水泵控制阀概述:
700X多功能水泵控制阀由主阀、电磁导阀、针阀、球阀、单向阀、行程开关、微形过滤器和压力表组成水力控制接管系统。水泵需停止工作时,先由进口压使主阀关闭90%后,水泵停止运转。剩余10%由回水关闭。可防止水锤现象发生。利用电磁导阀控制,不需要其它装置和能源。节约能源,保养简便,停泵平稳。电磁阀可采用交流电220V或直流电24V。广泛用于高层建筑、生活区等供水管网系统及城市供水工程。
德赢VWIN700X多功能水泵控制阀工作原理 :
当水泵工作阀门向下游供水时,电磁导阀全开,针阀调至适当开度,上游水经针阀、单向阀进入主阀控制室,经电磁导阀流出,此时主阀控制室的压力保持主阀处于合适的开度,保持下游正常供水。
当水泵停止工作时,电磁导阀先关闭,主阀控制室停止排水,控制室压力升高,主阀开始关闭。当关闭至90%时,主阀上部行程开关输出停泵信号,水泵停止运转。此时下游回水经单向阀进入主阀控制室,控制室压力升高,主阀被关闭。
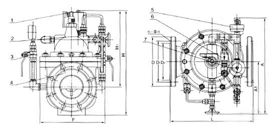
德赢VWIN700X多功能水泵控制阀结构图:

德赢VWIN700X多功能水泵控制阀技术参数:
公称压(Mpa) | 壳体试验压力(MPa) | 密封试验压力(MPa) | 适用介质 | 介质温度(℃) |
1.0 | 1.5 | 1.1 | 水 | 0-80 |
1.6 | 2.4 | 1.76 | ||
2.5 | 3.75 | 2.75 |
德赢VWIN700X多功能水泵控制阀外形链接尺寸:
DN | L | A | A1 | H | H1 | F | D | D1 | D2 | n-Φd | ||||||||
mm | mm | mm | mm | mm | mm | PN1.0 | PN1.6 | PN2.5 | PN1.0 | PN1.6 | PN2.5 | PN1.0 | PN1.6 | PN2.5 | PN1.0 | PN1.6 | PN2.5 | |
20 | 180 | 292 | 136 | 342 | 247 | 116 | 105 | 105 | 105 | 75 | 75 | 75 | 58 | 58 | 56 | 4-13.5 | 4-13.5 | 4-14 |
25 | 180 | 292 | 136 | 342 | 247 | 116 | 115 | 115 | 115 | 85 | 85 | 85 | 68 | 68 | 65 | 4-13.5 | 4-13.5 | 4-14 |
32 | 180 | 292 | 136 | 342 | 247 | 116 | 140 | 140 | 140 | 100 | 100 | 100 | 78 | 78 | 76 | 4-17.5 | 4-17.5 | 4-18 |
40 | 240 | 330 | 155 | 395 | 278 | 170 | 150 | 150 | 150 | 110 | 110 | 112 | 88 | 88 | 84 | 4-17.5 | 4-17.5 | 4-18 |
50 | 240 | 330 | 155 | 395 | 278 | 170 | 165 | 165 | 165 | 125 | 125 | 125 | 102 | 102 | 99 | 4-17.5 | 4-17.5 | 4-18 |
65 | 250 | 350 | 165 | 405 | 298 | 180 | 185 | 185 | 185 | 145 | 145 | 145 | 122 | 122 | 118 | 4-17.5 | 4-17.5 | 8-18 |
80 | 285 | 365 | 175 | 430 | 313 | 210 | 200 | 200 | 200 | 160 | 160 | 160 | 133 | 133 | 132 | 8-17.5 | 8-17.5 | 8-18 |
100 | 360 | 410 | 195 | 510 | 350 | 275 | 220 | 220 | 235 | 180 | 180 | 190 | 158 | 158 | 156 | 8-17.5 | 8-17.5 | 8-22 |
125 | 400 | 455 | 220 | 560 | 365 | 310 | 250 | 250 | 270 | 210 | 210 | 220 | 184 | 184 | 184 | 8-17.5 | 8-17.5 | 8-26 |
150 | 455 | 475 | 230 | 585 | 420 | 355 | 285 | 285 | 300 | 240 | 240 | 250 | 212 | 212 | 211 | 8-22 | 8-22 | 8-26 |
200 | 585 | 530 | 255 | 675 | 450 | 460 | 340 | 340 | 360 | 295 | 295 | 310 | 268 | 268 | 274 | 8-22 | 12-22 | 12-26 |
250 | 650 | 623 | 300 | 730 | 470 | 500 | 395 | 405 | 425 | 350 | 355 | 370 | 320 | 320 | 330 | 12-22 | 12-26 | 12-30 |
300 | 800 | 700 | 340 | 760 | 490 | 580 | 445 | 460 | 485 | 400 | 410 | 430 | 370 | 370 | 389 | 12-22 | 12-26 | 16-30 |
350 | 860 | 840 | 415 | 840 | 526 | 640 | 505 | 520 | 555 | 460 | 470 | 490 | 430 | 430 | 448 | 16-22 | 16-26 | 16-33 |
400 | 960 | 880 | 430 | 910 | 570 | 715 | 565 | 580 | 620 | 515 | 525 | 550 | 482 | 482 | 503 | 16-26 | 16-30 | 16-36 |
450 | 1075 | 930 | 460 | 1030 | 610 | 780 | 615 | 640 | 670 | 565 | 585 | 600 | 532 | 550 | 548 | 20-26 | 20-30 | 20-36 |
500 | 1075 | 980 | 490 | 1135 | 665 | 830 | 670 | 715 | 730 | 620 | 650 | 660 | 585 | 585 | 609 | 20-26 | 20-33 | 20-36 |



客服1